Ball Screw Nut SFU1204-4
TBI Technology & Size
Low Noise
High Efficiency
Low Friction
High Load
Long Service
High Precision
Walk Smoothly
Product Introduction
Ball Screw Nut SFU1204-4 using a metal circulator, the steel balls fill the groove along the inner circulator, diagonally crossing the screw tooth peak and returning to the origin. Please consider the required accuracy when selecting nuts. Ball Screw Nut SFU1204-4 from materials, heat treatment, processing and manufacturing to inspection and shipment, we adopt a rigorous process system to ensure quality.
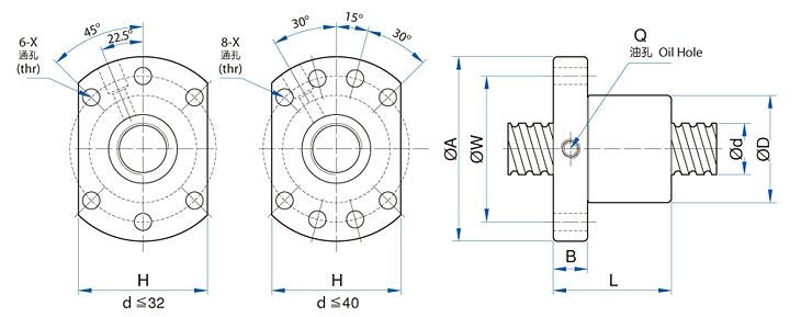
l: Lead Da: ball dia. n: number of circuits K: Stiffness(kgf/pm) Ca:basic dynamic rating load(kgf) Coa: basic static rating(kgf) Unit: mm
| Model No. | Reference data for ball screws and nuts | ||||||||||||||
| d | l | Da | D | A | B | L | W | H | X | Q | N | Ca | Coa | K | |
| SFU 1204-4 | 12 | 4 | 2.381 | 24 | 40 | 10 | 40 | 32 | 30 | 4.5 | 4 | 902 | 1884 | 26 | |
| SFU 1604-4 | 12 | 4 | 2.381 | 28 | 48 | 10 | 40 | 38 | 40 | 5.5 | M6 | 4 | 973 | 2406 | 32 |
| SFU 1605-4 | 16 | 5 | 3.175 | 28 | 48 | 10 | 50 | 38 | 40 | 5.5 | M6 | 4 | 1380 | 3052 | 32 |
| SFU 1610-3 | 16 | 10 | 3.175 | 28 | 48 | 10 | 57 | 38 | 40 | 5.5 | M6 | 3 | 1103 | 2401 | 26 |
| SFU 2004-4 | 20 | 4 | 2.381 | 36 | 58 | 10 | 42 | 47 | 44 | 6.6 | M6 | 4 | 1066 | 2987 | 38 |
| SFU 2005-4 | 20 | 5 | 3.175 | 36 | 58 | 10 | 51 | 47 | 44 | 6.6 | M6 | 4 | 1551 | 3875 | 39 |
| SFU 2504-4 | 25 | 4 | 2.381 | 40 | 62 | 10 | 42 | 51 | 48 | 6.6 | M6 | 4 | 1180 | 3795 | 43 |
| SFU 2505-4 | 25 | 5 | 3.175 | 40 | 62 | 10 | 51 | 51 | 48 | 6.6 | M6 | 4 | 1724 | 4904 | 45 |
| SFU 2506-4 | 25 | 6 | 3.969 | 40 | 62 | 10 | 54 | 51 | 48 | 6.6 | M6 | 4 | 2318 | 6057 | 47 |
| SFU 2508-4 | 25 | 8 | 4.762 | 40 | 62 | 10 | 63 | 51 | 48 | 6.6 | M6 | 4 | 2963 | 7313 | 49 |
| SFU 2510-4 | 25 | 10 | 4.762 | 40 | 62 | 12 | 85 | 51 | 48 | 6.6 | M6 | 4 | 2954 | 7295 | 50 |
In addition to the above models, there are other models not listed. And also have others series type,like SFI, SFE, DFU, DFI ,SFS ,SFY. Please feel free to discuss and consult.
Application
The ball screw pair is a transmission component composed of ball screws, balls, ball nuts, and related cyclic parts, with a cylindrical spiral as the motion trajectory. Used to convert rotary motion into linear motion (main purpose), or to convert linear motion into rotary motion (large lead).
Ball Screw Nut SFU1204-4 widely used in CNC machine tools, automation equipment, measuring instruments, printing and packaging machinery, textile machinery, pharmaceutical machinery, glass machinery, and other fields that require precise path positioning.
If you need Ball Screw Nut SFU1204-4,kindly contact me.
| Model No. | Reference data for ball screws and nuts | ||||||||||||||
| d | l | Da | D | A | B | L | W | H | X | Q | N | Ca | Coa | K | |
| SFU 1204-4 | 12 | 4 | 2.381 | 24 | 40 | 10 | 40 | 32 | 30 | 4.5 | 4 | 902 | 1884 | 26 | |
| SFU 1604-4 | 12 | 4 | 2.381 | 28 | 48 | 10 | 40 | 38 | 40 | 5.5 | M6 | 4 | 973 | 2406 | 32 |
| SFU 1605-4 | 16 | 5 | 3.175 | 28 | 48 | 10 | 50 | 38 | 40 | 5.5 | M6 | 4 | 1380 | 3052 | 32 |
| SFU 1610-3 | 16 | 10 | 3.175 | 28 | 48 | 10 | 57 | 38 | 40 | 5.5 | M6 | 3 | 1103 | 2401 | 26 |
| SFU 2004-4 | 20 | 4 | 2.381 | 36 | 58 | 10 | 42 | 47 | 44 | 6.6 | M6 | 4 | 1066 | 2987 | 38 |
| SFU 2005-4 | 20 | 5 | 3.175 | 36 | 58 | 10 | 51 | 47 | 44 | 6.6 | M6 | 4 | 1551 | 3875 | 39 |
| SFU 2504-4 | 25 | 4 | 2.381 | 40 | 62 | 10 | 42 | 51 | 48 | 6.6 | M6 | 4 | 1180 | 3795 | 43 |
| SFU 2505-4 | 25 | 5 | 3.175 | 40 | 62 | 10 | 51 | 51 | 48 | 6.6 | M6 | 4 | 1724 | 4904 | 45 |
| SFU 2506-4 | 25 | 6 | 3.969 | 40 | 62 | 10 | 54 | 51 | 48 | 6.6 | M6 | 4 | 2318 | 6057 | 47 |
| SFU 2508-4 | 25 | 8 | 4.762 | 40 | 62 | 10 | 63 | 51 | 48 | 6.6 | M6 | 4 | 2963 | 7313 | 49 |
| SFU 2510-4 | 25 | 10 | 4.762 | 40 | 62 | 12 | 85 | 51 | 48 | 6.6 | M6 | 4 | 2954 | 7295 | 50 |











