Ball Screw Nut SFU1604
TBI Technology & Size
Low Noise
High Efficiency
Low Friction
High Load
Long Service
High Precision
Walk Smoothly
Product Introduction
Ball Screw Nut SFU1604 Belonging to the linear series,use advance bearing steel. There are other common forms: SFI, SFE, DFU, DFI, high-speed silent type: SFS, SFY.
Ball Screw Nut SFU1604 is a mechanical unit that converts rotational motion into linear motion by rolling a steel ball in the groove of the screw shaft and nut.
Processing according to the drawings, fast delivery time, and excellent price.
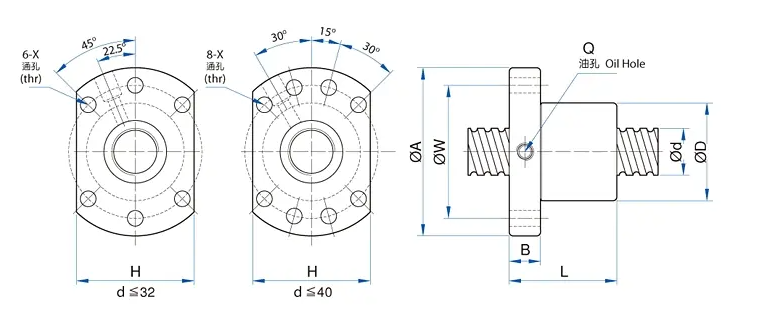
Model: SFU1604
Lead screw outer diameter: 12
Lead: 4
Bead diameter: 2.381
Nut outer diameter: 28
Thickness of flange: 10
Nut length: 40
Width of flange: 40
Number of beads: 1 × 4
Dynamic rated load: 973
Static rated load: 2406
l: Lead Da: ball dia. n: number of circuits K: Stiffness(kgf/pm) Ca:basic dynamic rating load(kgf) Coa: basic static rating(kgf) Unit: mm
| Model No. | Reference data for ball screws and nuts | ||||||||||||||
| d | l | Da | D | A | B | L | W | H | X | Q | N | Ca | Coa | K | |
| SFU 1204-4 | 12 | 4 | 2.381 | 24 | 40 | 10 | 40 | 32 | 30 | 4.5 | 4 | 902 | 1884 | 26 | |
| SFU 1604-4 | 12 | 4 | 2.381 | 28 | 48 | 10 | 40 | 38 | 40 | 5.5 | M6 | 4 | 973 | 2406 | 32 |
| SFU 1605-4 | 16 | 5 | 3.175 | 28 | 48 | 10 | 50 | 38 | 40 | 5.5 | M6 | 4 | 1380 | 3052 | 32 |
| SFU 1610-3 | 16 | 10 | 3.175 | 28 | 48 | 10 | 57 | 38 | 40 | 5.5 | M6 | 3 | 1103 | 2401 | 26 |
| SFU 2004-4 | 20 | 4 | 2.381 | 36 | 58 | 10 | 42 | 47 | 44 | 6.6 | M6 | 4 | 1066 | 2987 | 38 |
| SFU 2005-4 | 20 | 5 | 3.175 | 36 | 58 | 10 | 51 | 47 | 44 | 6.6 | M6 | 4 | 1551 | 3875 | 39 |
| SFU 2504-4 | 25 | 4 | 2.381 | 40 | 62 | 10 | 42 | 51 | 48 | 6.6 | M6 | 4 | 1180 | 3795 | 43 |
| SFU 2505-4 | 25 | 5 | 3.175 | 40 | 62 | 10 | 51 | 51 | 48 | 6.6 | M6 | 4 | 1724 | 4904 | 45 |
SFU 2506-4 | 25 | 6 | 3.969 | 40 | 62 | 10 | 54 | 51 | 48 | 6.6 | M6 | 4 | 2318 | 6057 | 47 |
| SFU 2508-4 | 25 | 8 | 4.762 | 40 | 62 | 10 | 63 | 51 | 48 | 6.6 | M6 | 4 | 2963 | 7313 | 49 |
| SFU 2510-4 | 25 | 10 | 4.762 | 40 | 62 | 12 | 85 | 51 | 48 | 6.6 | M6 | 4 | 2954 | 7295 | 50 |
Application
A.End cap ball screw: fast handling system, general industrial machinery, automation machinery
B.High speed ball screw: CNC machinery, precision tool machines, industrial machinery, electronic machinery, and high-speed machinery
C.Precision grinding grade ball screw: used in CNC machinery, precision tool machines, industrial machinery, electronic machinery, conveyor machinery, aerospace industry, and other antennas Actuators, valve switching devices, etc
D.Nut rotating (R1) series ball screw: semiconductor machinery, industrial robots, woodworking machines, laser processing machines, conveying devices, etc
E.Rolling grade ball screw: The advantages of low friction and smooth operation, as well as fast supply and low price
F.Heavy load ball screw: all electric injection molding machines, stamping machines, semiconductor manufacturing devices, heavy-duty brakes, industrial machinery, forging machinery
If you need Ball Screw Nut SFU1604,kindly contact me.
| Model No. | Reference data for ball screws and nuts | ||||||||||||||
| d | l | Da | D | A | B | L | W | H | X | Q | N | Ca | Coa | K | |
| SFU 1204-4 | 12 | 4 | 2.381 | 24 | 40 | 10 | 40 | 32 | 30 | 4.5 | 4 | 902 | 1884 | 26 | |
| SFU 1604-4 | 12 | 4 | 2.381 | 28 | 48 | 10 | 40 | 38 | 40 | 5.5 | M6 | 4 | 973 | 2406 | 32 |
| SFU 1605-4 | 16 | 5 | 3.175 | 28 | 48 | 10 | 50 | 38 | 40 | 5.5 | M6 | 4 | 1380 | 3052 | 32 |
| SFU 1610-3 | 16 | 10 | 3.175 | 28 | 48 | 10 | 57 | 38 | 40 | 5.5 | M6 | 3 | 1103 | 2401 | 26 |
| SFU 2004-4 | 20 | 4 | 2.381 | 36 | 58 | 10 | 42 | 47 | 44 | 6.6 | M6 | 4 | 1066 | 2987 | 38 |
| SFU 2005-4 | 20 | 5 | 3.175 | 36 | 58 | 10 | 51 | 47 | 44 | 6.6 | M6 | 4 | 1551 | 3875 | 39 |
| SFU 2504-4 | 25 | 4 | 2.381 | 40 | 62 | 10 | 42 | 51 | 48 | 6.6 | M6 | 4 | 1180 | 3795 | 43 |
| SFU 2505-4 | 25 | 5 | 3.175 | 40 | 62 | 10 | 51 | 51 | 48 | 6.6 | M6 | 4 | 1724 | 4904 | 45 |
| SFU 2506-4 | 25 | 6 | 3.969 | 40 | 62 | 10 | 54 | 51 | 48 | 6.6 | M6 | 4 | 2318 | 6057 | 47 |
| SFU 2508-4 | 25 | 8 | 4.762 | 40 | 62 | 10 | 63 | 51 | 48 | 6.6 | M6 | 4 | 2963 | 7313 | 49 |
| SFU 2510-4 | 25 | 10 | 4.762 | 40 | 62 | 12 | 85 | 51 | 48 | 6.6 | M6 | 4 | 2954 | 7295 | 50 |










