Ball Bearing Units UCT205
High Load
Flexible Rotation
Excellent Sealing
Long Service Life
Gcr15 Material
P0,P6,P5,P4
HT200 Housing
Stretch Resistance
Product Introduction
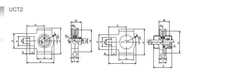
Ball Bearing Units UCT205 consists of ball bearings UC205 and seat T205, with dimensions of inner diameter of 25mm, outer diameter of 34.1mm, and thickness of 104mm,except ball bearing units UCT205(pillow block ball bearing UCT205) ,we also can provide the following models.
Application
Ball Bearing Units UCT205 can be used in fields such as knitting machinery, tower reactors, last cutting machines, meat product processing equipment, spinning machines and accessories, coaxial reducers, seasoning processing equipment, granulation and drying equipment, packaging, bottom pressing machines, air-cooled refrigerators, planting machinery, etc.
Contact US
We specialize in producing Ball Bearing Units UCT205 ,if you happen to need it,please contact us.













